Экономия места
Экономия места — Компактные модульные решения
Измеряйте точно
Измеряйте точно и стабильно для оптимизации потребления электроэнергии
Надёжность системы
Обеспечьте быстродействие и надёжность системы электроснабжения
Удаленный мониторинг
Оптимизируйте затраты на обслуживание и эксплуатацию за счет удаленного мониторинга и управления
Готовые решения
Надежные решения для бесперебойной работы систем с удаленным управлением
Интегратор получает:
-
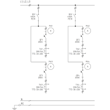
Альбом типовых схем РЗА 6-10 кВ
-
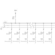
Документацию на типовые решения АВР
-
Документацию на типовые решения по АСКУЭ, АСТУЭ, АСУЭ
-
Типовые алгоритмы управления АВР в виде прикладного программного обеспечения для ПЛК, HMI
Заказчик может найти примеры:
-
Для отображения картины электропотребления (АСТУЭ) и разработки мероприятий по повышению энергоэффективности.
-
По автоматизированному коммерческому учету электроэнергии (АСКУЭ) для достоверного учёта потребляемой электроэнергии и организации мероприятий по экономии
-
По контролю и мониторингу качества электрической энергии в сети
-
По обеспечению надежности системы электроснабжения (АВР, РЗА) и бесперебойной работы всех инженерных и технологических систем объекта
-
Примеры комплексных решений по повышению эксплуатационной надежности, долговечности и эффективности работы энергетического оборудования объектов в виде автоматизированной системы управления энергохозяйством (АСУЭ)
Нужна консультация по вашему проекту?
Оставьте заявку и мы поможем создать решение на оcнове оборудования EKF
+7 (495) 788-88-15 , 8 (800) 333-88-15 (многоканальный)
Другие решения
Широкий выбор решений для различных систем и объектов от одного поставщика














